荣航产品

联系我们

  • 手机:13861355442

  • 手机:15252919111

  • 电话:0511-85728316

  • 售后服务:0511-85725315

  • 图文传真:0511-85725345

  • 地址:江苏省镇江市京口区金阳路139号

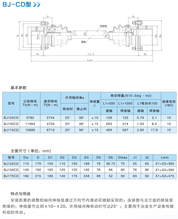
BJ-CD型球笼联轴器

BJ-CD型球笼联轴器

1.png